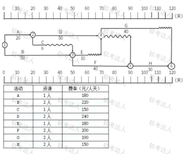
阅读下列说明,回答问题 1 至问题 4,将解答填入对应栏内。(25 分) 【说明】 已知某信息工程项目由 A、B、C、D、E、G、H、I 八个活动构成,项目工期要求为 100 天。项目组根据初步历时估 算、各活动间逻辑关系得出的初步进度计划网络图如下图所示(箭线下方为活动历时)。

【问题 1】(2 分)
请给出该项目初步进度计划的关键路径和工期。
【问题 2】(5 分)
(1)该项目初步进度计划需要压缩多少天,才能满足工期要求,
(2)若项目组将活动 B 和活动 G 压缩至 30 天,是否可以满足工期要求。压缩后的关键路径共有几条,分别是什么。
【问题 3】(10 分)
项目组根据工期要求,资源情况及预算进行了工期优化,即将活动 B 压缩至 30 天,活动 D 压缩至 40 天,并形成了 最终进度计划网络图。项目活动所需资源数量和资源费率如表所示。按最终进度计划执行到第 40 天晚,对项目检 测时发现,活动 D 完成一半,活动 E 准备第二天开始,活动 F 完成了 1/4;此时累计支付的实际成本为 4 万元。请在 下表中填写此时该项目绩效信息。第 40 天末,请补全下表 PV、EV 的数值。

【问题 4】(8 分)
(1)请计算第 40 天晚,项目 CV、SV、CPI、SPI,请评价当前项目绩效,并给出改进措施。
(2)项目组发现问题后,及时进行了纠正,请预测项目完工估算 EAC。